焊機&感應加熱
-
行業需求
-
行業應用方案
-
產品選型推薦
行業需求
感應加熱行業對 IGBT 模塊的需求正呈現出蓬勃的增長態勢。作為功率轉換領域的核心器件,IGBT 模塊以其卓越的性能,高效地實現了電能向熱能的精準轉換,從而滿足了金屬工件在加熱過程中對于快速且均勻加熱的嚴苛要求。隨著科技的日新月異,感應加熱行業對 IGBT 模塊的要求也在不斷提升,高效率、高可靠性以及定制化解決方案成為了行業發展的新標桿。這些需求的增長,無疑為 IGBT 模塊市場注入了強勁的動力,推動了其市場規模的持續擴大。
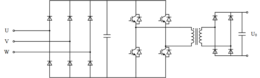
行業應用方案
拓撲結構

產品選型推薦
| 型號 | 電壓(V) | 電流(A) | 封裝 | 拓撲 |
| MMG40S120B6UC | 1200 | 40 | GS | B |
| MMG50S120B6UC | 1200 | 50 | GS | B |
| MMG75S120B6UC | 1200 | 75 | GS | B |
| MMG100S120B6UC | 1200 | 100 | GS | B |
| MMG150S120B6UC | 1200 | 150 | GS | B |
| MMG150D120B6UC | 1200 | 150 | GD | B |
| MMG200D120B6UC | 1200 | 200 | GD | B |
| MMG300D120B6UC | 1200 | 300 | GD | B |
| MMF200N120DK | 1200 | 200 | FN | DK |
| MMF200N070DK | 700 | 200 | FN | DK |
| MMF150S060DK | 600 | 150 | FS | DK |
| MMF200S060DK | 600 | 200 | FS | DK |
| MMF200S120DK | 1200 | 200 | FS | DK |
| MMF300S060DK | 600 | 300 | FS | DK |
| MMF150S120DK | 1200 | 150 | FS | DK |