高壓變頻&SVG
-
行業需求
-
行業應用方案
-
產品選型推薦
行業需求
級聯型H橋拓撲結構簡單,擴展靈活,目前已經在高壓級聯型變頻器、靜止無功發生器 SVG 中獲得了廣泛應用。
在工業應用中,電機作為風機、泵、壓縮機、皮帶機、破碎機等各種機械設備的驅動裝置,其耗電量巨大。采用級聯型變頻器與生產工藝相結合,可以顯著地降低電機能耗。
SVG 主要應用于提升電網的輸電容量及穩定暫態電壓,也可實現輸配電網、風電和光伏電站無功調壓,礦山、石化、煤礦、等行業的功率因數控制、母線電壓閃變抑制及補償不平衡負荷、濾除負荷諧波電流,達到提高電能質量,節約用電的目的。
宏微科技推出75A-450A不同電流等級的半橋模塊和75A-150A的H橋一體化模塊。通過每相采用單個或兩個及以上半橋模塊并聯,基本可以覆蓋3kV-10kV高壓變頻器的中小功率范圍和一部分大功率范圍、3kV-35kV級聯儲能系統的中等容量范圍、3kV-35kV SVG 的中等容量范圍。同時針對小功率段的高壓變頻器,使用 H 橋一體化模塊,可以減少模塊使用數量,大幅削減鏈節體積,降低結構成本。
行業應用方案
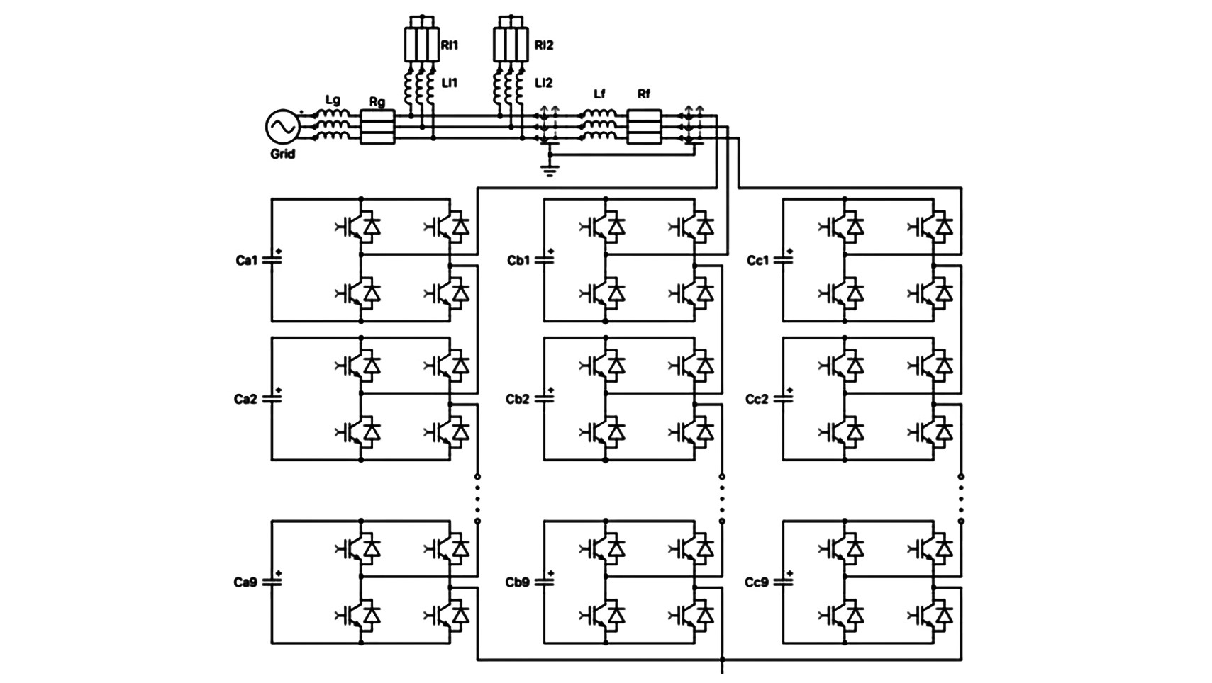
拓撲結構

產品選型推薦
| 型號 | 電壓(V) | 電流(A) | 封裝 | 拓撲 |
| MMG75S170B6TC | 1700 | 75 | GS | B |
| MMG100S170B6TC | 1700 | 100 | GS | B |
| MMG150D170B6TC | 1700 | 150 | GD | B |
| MMG200D170B6TC | 1200 | 400 | GD | B |
| MMG300D170B6TC | 1700 | 300 | GD | B |
| MMG75W170HX6TC | 1700 | 75 | GW | HX |