家用電器
白色家電
-
行業需求
-
行業應用方案
-
產品選型推薦
行業需求
隨著現代家庭對高品質生活的追求以及智能家居系統的普及,家用電器行業正經歷著前所未有的技術創新與需求增長。在這一發展趨勢中,功率半導體器件扮演著舉足輕重的角色。作為電能轉換與控制的核心組件,功率半導體器件不僅決定了家電產品的能效水平、運行穩定性及使用壽命,還直接影響到產品的智能化程度與響應速度。從高效節能的變頻空調、冰箱,到快速加熱的智能廚房電器,功率半導體器件的應用極大地豐富了家用電器的功能性與用戶體驗。因此,隨著家電市場對高能效、智能化產品的持續渴求,對高性能、高可靠性功率半導體器件的需求日益迫切,推動了該領域技術的不斷進步與產業升級,形成了巨大的市場需求與廣闊的發展空間。
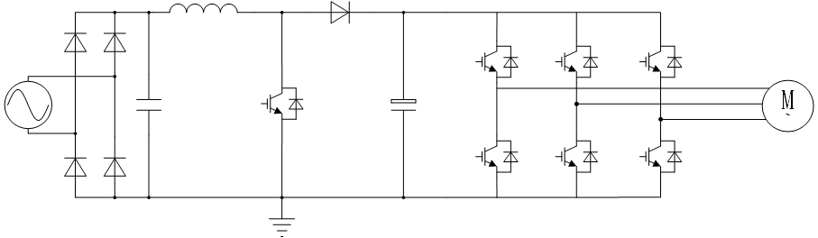
行業應用方案
拓撲結構

產品選型推薦
| 型號 | 電壓(V) | 電流(A) | 封裝 | 拓撲 |
| MMG75HE120XB6T7 | 1200 | 75 | GHE | XB |
| MMG10CB120XB6TC | 1200 | 10 | GCB | XB |
| MMG15CB120XB6TC | 1200 | 15 | GCB | XB |
| MMG25CE120XB6TC | 1200 | 25 | GCE | XB |
| MMG35CE120XB6TC | 1200 | 35 | GCE | XB |
| MMG50HD120XB6TC | 1200 | 50 | GHD | XB |
| MMG50HD120XT6TC | 1200 | 50 | GHD | XT |
| MMG75W120XB6TC | 1200 | 75 | GW | XB |
| MMG75WD120XB6TC | 1200 | 75 | GWD | XB |
| MM40G3U65B | 650 | 40 | TO-247-3L | / |
| MM50GBU65B | 650 | 50 | TO-247-3L | / |
| MM60G3U65B | 650 | 60 | TO-247-3L | / |
| MM75G5U65BX | 650 | 75 | TO-247-3L | / |
| MM75G3T65B | 650 | 75 | TO-247-3L | / |
| MM75G5T65B | 650 | 75 | TO-247-3L | / |
| MM15G3T120B | 1200 | 15 | TO-247-3L | / |
| MM25G3T120B | 1200 | 25 | TO-247-3L | / |
| MM40G3T120B | 1200 | 40 | TO-247-3L | / |
| MM50G3T120BM | 1200 | 50 | TO-247 Plus-3L | / |
| MM75G5U120BM | 1200 | 75 | TO-247 Plus-3L | / |
| MM3N150PF | 1500 | 2.5 | TO-3PF | / |
| MM15F060K | 600 | 15 | TO-220C-2L | / |
| MM15F060K1 | 600 | 15 | TO-220F-2L | / |
| MM15FU60K | 600 | 15 | TO-220 | / |
| MM30FU060B | 600 | 30 | TO-247-2L | / |
| MM30FU60K | 600 | 30 | TO-220C-2L | / |
| MM30FU060K1 | 600 | 30 | TO-220F-2L | / |
| MM60F060P | 600 | 60 | TO-3PB-2L | / |
| MM60F060B | 600 | 60 | TO-247-2L | / |
| MM60FU060B | 600 | 60 | TO-247-2L | / |
| MM75F60B | 600 | 75 | TO-247-2L | / |
| MM15FU120K | 1200 | 15 | TO-220A-2L/TO-220B-2L | / |
| MM30FU120K | 1200 | 30 | TO-220A-2L/TO-220B-2L | / |
| MM30FU120B | 1200 | 30 | TO-247-2L | / |
| MM30FC120B | 1200 | 30 | TO-247-2L | / |
| MM60F120B | 1200 | 60 | TO-247-2L | / |
| MM60FU120B | 1200 | 60 | TO-247-2L | / |